Beskrivning
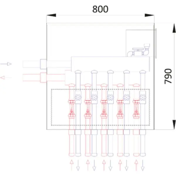
Samlingsskåp för kollektorer. Justerbara termometrar på varje kollektorpar. Alla skåp är isolerade med PU-skum. Alla anslutningsrör har en utstickande längd av 150 mm, förutom väggenomgångarna som är 560 mm. Samtliga kollektorändar är proppade. Flöde: 10-40 liter/minut. Mått: B800 x D320 x H790 mm. Tillopp och retur: 63 mm. Kretsloppsrör: 40 mm.
Vikt
39 kg
Utförande
5 borrhål
Material
Plast

CE





